| Preis | Negotiable |
| MOQ | 1 pc |
| Lieferzeit | as confirmed |
| Marke | JunQi |
| Ursprungsort | China |
| Certification | CE |
| Vorbildliches Number | DM422D |
| Verpackendetails | Paket der Reihe für den Export |
| Zahlungsbedingungen | L/C, T/T, Western Union, Paypal |
| Versorgungs-Fähigkeit | 2000 Sätze / Monat |
| Brand Name | JunQi | Vorbildliches Number | DM422D |
| Certification | CE | Ursprungsort | China |
| Mindestbestellmenge | 1 PC | Price | Negotiable |
| Zahlungsbedingungen | L/C, T/T, Western Union, Paypal | Versorgungs-Fähigkeit | 2000 Sätze / Monat |
| Lieferfrist | wie bestätigt | Verpackendetails | Paket der Reihe für den Export |
| Produkt-Name | Schrittmotorfahrer | Passend für Bewegungsart | 2-phasiger Schrittmotor 28-57mm |
| Modell | DM422D | Eingangsspannung | 20-40V |
| Spitzenstrom | 0.5-2.2A | Stromversorgung | DC-Versorgung |
| Anwendung | Automatisches Produkt |
DM422D Schrittmotorfahrer mit 2 Phasen
Eigenschaften
1. Adopation von 32-Bit-DSP, reine Sinuswellen-Unterteilungstechnologie
2. Steigen der lärmarmen, vibrationsarmen und niedrigen Temperatur
3. Volatge 20-40VDC
4. Mit 8 Ställen Ausgangsstromeinstellung, Spitzenstrom 2.2A
5. Mit 4 Ställe microstep subbivison Einstellung
6. Halber Strom Aotomatic, Selbsttest, overr Spannung, unter Spannung, über gegenwärtigem Schutz
7. Optische Isolierung Inernal, Grenzfrequenzfrequenzgang 200KHZ
8. Passend für gegenwärtigen 0.5-2.2A 2/4Phase hybriden Schrittmotor
Gegenwärtige Auswahl:
| Spitze | Effektivwert | SW1 | SW2 | SW3 |
| Nichterfüllung | AUF | AUF | AUF | |
| 0.5A | 0.35A | WEG | AUF | AUF |
| 0.7A | 0.50A | AUF | WEG | AUF |
| 1.0A | 0.70A | WEG | WEG | AUF |
| 1.3A | 0.90A | AUF | AUF | WEG |
| 1.6A | 1.20A | WEG | AUF | WEG |
| 1.9A | 1.40A | AUF | WEG | WEG |
| 2.2A | 1.60A | WEG | WEG | WEG |
Microstep-Auswahl:
| Impuls/Rev | SW6 | SW8 |
| Nichterfüllung | AUF | AUF |
| 1600 | WEG | AUF |
| 3200 | AUF | WEG |
| 6400 | WEG | WEG |
Fahrer Functions Descriptions:
| Fahrerfunktion | Bedienungsanleitungen |
|
Ertrag gegenwärtig Einstellung |
Benutzer können den FahrerAusgangsstrom durch Schalter SW1-SW3 drei einstellen. Die Einstellung des spezifischen Ausgangsstroms, beziehen bitte sich die auf Anweisungen der Fahrerplattenzahl. |
|
Microstep-Einstellung |
Benutzer können den Fahrer Microstep durch die Schalter SW5-SW6 einstellen. Die Einstellung der spezifischen Microstep-Unterteilung, beziehen bitte sich die auf Anweisungen der Fahrerplattenzahl. |
|
Automatische Hälfte gegenwärtige Funktion |
Benutzer können die halbe Flussfunktion des Fahrers durch SW4 einstellen. "OFF" zeigt an, dass der Ruhestrom auf Hälfte des dynamischen Stroms eingestellt wird das heißt, 0,5 Sekunden nach der Einstellung des Impulses, gegenwärtig auf ungefähr Hälfte automatisch verringern. "ON" zeigt an, dass der Ruhestrom und der dynamische Strom die selben sind. Benutzer kann SW4 auf "OFF" einstellen, um Bewegungs- und Fahrerheizung zu verringern und Zuverlässigkeit zu verbessern. |
|
Signalschnittstellen |
PUL ist der Richtimpulsinput; DIR ist der Schrittmotorrichtungsinput; Ist die Stromversorgung für Signalhafen + 5V OPTO; ENA ist der Bewegungsfreie Input. |
|
Bewegungsschnittstellen |
A+ und a werden an eine Phasenwicklung des Motors angeschlossen; B+ und b werden an eine andere Phasenwicklung des Motors angeschlossen. Wenn Sie rückwärts brauchen, kann eine der Phasenwicklungen aufgehoben werden. |
|
Energieschnittstellen |
Es benutzt DC-Stromversorgung. Empfohlene Funktionierenspannung ist 20VDC-40VDC, und Leistungsaufnahme sollte als 100W größer sein. |
|
Anzeigelampen |
Es gibt zwei Anzeigelampen. Leistungsmesser ist grün. Wenn die Fahrerenergie an, das grüne Licht immer ist, ist Lit.-Störungsindikator, wenn es Überspannungs- oder Überstromstörung gibt, das rote Licht wird immer beleuchtet rot; nachdem die Fahrerstörung geklärt ist, wenn Wiederenergie das rote Licht aus ist. |
|
Installation Anweisungen |
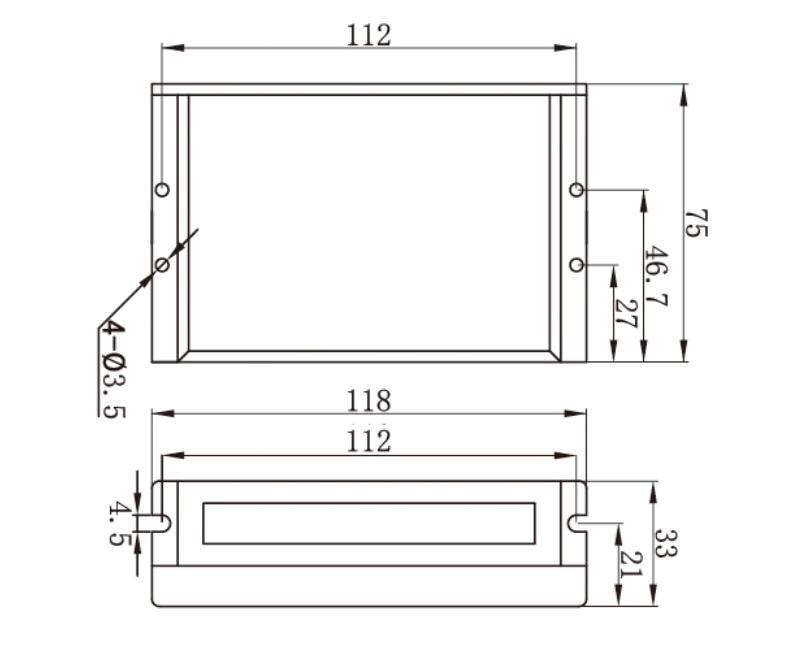
Fahrermaße: 86×55beziehensich×20mm, bitteaufMaßegrafisch darstellen. Lassen Siebitte10CMRaumfürWärmeableitung. WährendderInstallationsolltesiezumMetallkabinettfürWärmeableitungnahsein. |
Steuersignal und externe Schnittstelle.
| Phänomen | Grund | Lösung |
|
Der rote Indikator ist eingeschaltet. |
Kurzschluss 1.A von Bewegungsdrähten. | Kontrollieren Sie oder ändern Sie Drähte |
| ist externe Spannung 2.The oder als die Arbeitsspannung des Fahrers zu senken übermäßig. | Justieren Sie die Spannung auf ein angemessenes schellte | |
| Grund 3.Unknown | Bringen Sie die Waren zurück |
Mechanisches Maß (Millimeter):
Verpackung:
Pappschachteln plus das Schaumverpacken. Wir können die Waren entsprechend den Anforderungen des Kunden auch verpacken.
Zertifikat:
Transport:
Zur Zeit stützt unsere Firma eine Vielzahl von Verkehrsmitteln oder entsprechend dem Bedarf des Kunden, den Modus des Transportes zu wählen.
FAQ:
1.Q: Kann ich einige Proben zuerst erhalten?
: Sicher, werden wir geehrt, um Ihnen Proben für Ihre Kontrolle anzubieten.
2.Q: Haben Sie die Produkte auf Lager?
: Unsere Produkte werden entsprechend Ihrem Auftrag ausgenommen die normalen Produkte hergestellt.
3.Q: Was ist die Lieferfrist?
: Es dauert normalerweise ungefähr 7 Werktage, aber die genaue Lieferfrist wäre möglicherweise unterschiedlich für unterschiedlichen Auftrag oder zur unterschiedlichen Zeit.
4.Q: Wie tut Ihre Fabrik betreffend Qualitätskontrolle?
: Qualität ist Priorität. Wir messen immer hohe Wichtigkeit zur Qualitätskontrolle von Anfang an zum Ende der Produktion bei. Jedes Produkt wird völlig zusammengebaut und geprüft sorgfältig, vor verpackt worden



